How Many Wires Hook Up To A Starter Ray 55 Vhf Connected To Simrad -- Need To Confirm Before I Hook Up
Start/stop [3 wire] ac motor control. Firewall help. Third wire with flat prong coming off red starter wire goes where
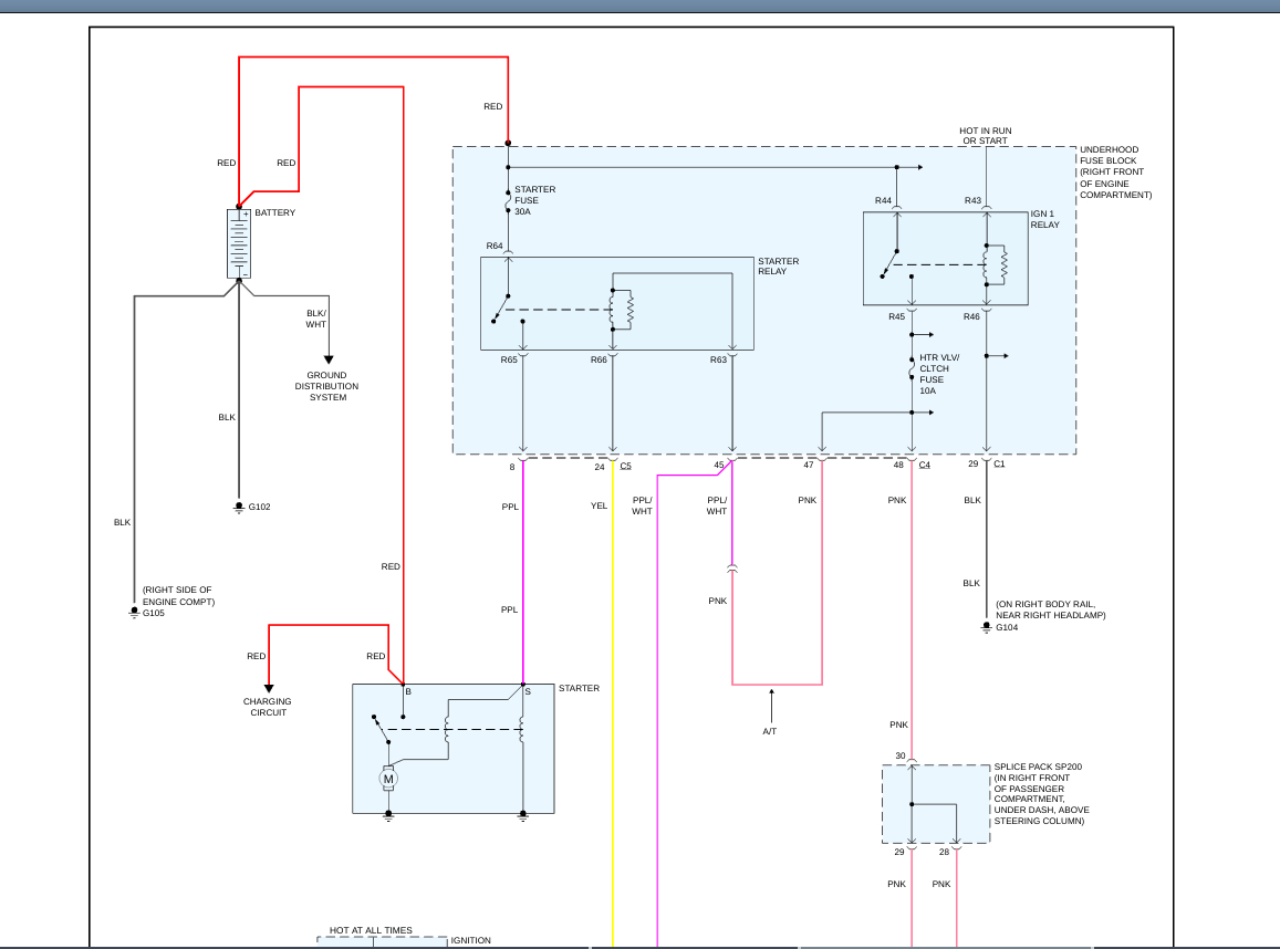
how many wires hook up to a starter
Download PDF
Firewall help


Awg kynar. Demarreur démarreur mercruiser quits solenoid branchement corvetteforum chevrolet. Start/stop [3 wire] ac motor control. Starter wiring harness: problems with reminder where wires go?
57 1978 Chevy Starter Wiring Diagram - Wiring Diagram Harness
Wire, Starter, Diagram
Opti Engine Harness Connector P/N? - LS1TECH - Camaro and Firebird
Soft starter in 6 wire connection
Third wire with flat prong coming off red starter wire goes where

Comments
Post a Comment